
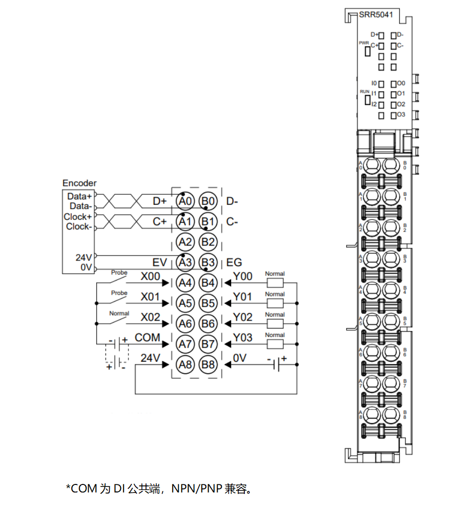
| Encoder | |||||
| 端子标识 | 端子定义 | 说明 | 端子标识 | 端子定义 | 说明 |
| A0 | D+ | 编码器数据信号输入+ | B0 | D- | 编码器数据信号输入- |
| A1 | C+ | 编码器时钟信号输出+ | B1 | C- | 编码器时钟信号输出- |
| A2 | NC | 空端子 | B2 | NC | 空端子 |
| A3 | EV | 24V编码器电源 | B3 | EG | 0V编码器电源 |
| A4 | X00 | DI通道0(探针功能) | B4 | Y00 | DO通道0 |
| A5 | X01 | DI通道1(探针功能) | B5 | Y01 | DO通道1 |
| A6 | X02 | DI通道2 | B6 | Y02 | DO通道2 |
| A7 | COM | 输入公共端COM | B7 | Y03 | DO通道3 |
| A8 | 24V | 现场侧电源24V | B8 | 0V | 现场侧电源0V |